
Это со всеми проводами кроме манипулятора

Это внутренности.
Блок питания стандартный на 100mA, потребление 30mA.
Огромное спасибо RN4NAA за помощь в изготовлении платы!







RN4NU писал(а):Готовы ДПФ


RN4NAB писал(а):Александр, я так понял плата приобреталась у Тарасова UT2FW








ru4ng писал(а):Cделал манипулятор, работой очень доволен.


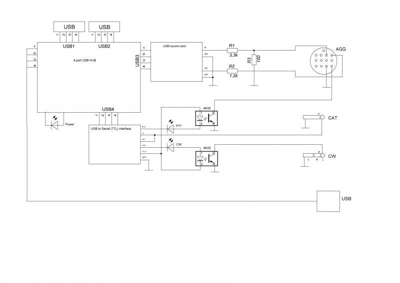
ru4ng писал(а):3) USB to Serial (TTL) interface-115руб.
Примененный конвертор полный, у него есть выводы служебной информации CTS RTS, что позволило использовать




Вернуться в Радиолюбительское оборудование
Сейчас этот форум просматривают: нет зарегистрированных пользователей и гости: 4
|
|