Возникла необходимость уменьшить чувствительность схемы включения усилителя, заодно сделал несколько фотографий внутренностей зверька.
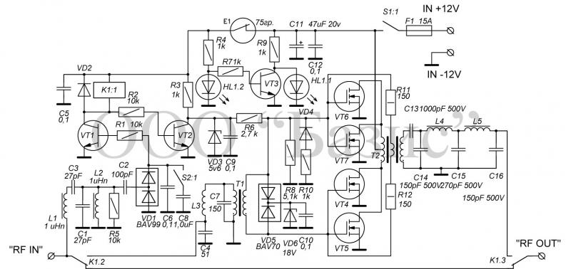
Схема
Для уменьшения чувствительности увеличил номинал резистора R1 до 43 кОм (какой нашёл такого же размера). В новых партиях это должно быть исправлено.
Фото внутренностей
Транзисторы применены типа IRF520 или подобные. Смещение на тразисторы подаётся общее, поэтому о "красоте" выходного сигнала говорить не приходится (врядли транзисторы подбираются, максимум это экземпляры из одной партии). Что положительно отличает Воронежский усилитель от подобных итальянских, дак это наличие ФНЧ на выходе.
Есть также защита от перегрева. Со слов UD4NAN усилитель при работе до отключения по перегреву терпел около часа (если не ошибаюсь).
При раскачке в 5 Ватт, и 13,5 В в рабочей полосе частот, на эквиваленте выдаёт около 60 Ватт, при 10 Ваттах - на выходе заявленные 100 Ватт. Потребляемый ток и ток покоя, к сожалению, не померил. Знающие подскажите.
Более менее работает до 20 Мгц ниже резкий завал, видимо сказывается наличие П контура перед входным трансформатором.
Габаритные размеры не большие, сама платка так вообще показалась малюсенькой.

