Антенна КВ: miniWhip + usb rtl_sdr dongle

Обсуждение конструкций антенн для работы на коротких волнах. Изготовление, разработка, настройка...

Антенна КВ: miniWhip + usb rtl_sdr dongle

Сообщение R4NBB » 27 май 2017, 13:55

антенна всем известная как активная , большое количество схем и описаний,на многих форумах интернета тесты есть . для начинающего слушателя при минимальном бюджете будет интересное начало...
P.S.: если не интересно ,сильно не пинайте. :pardon:
Вложения
153219663112.jpg
usb rtl sdr dongle
pcb3.jpg
вид платы
power feed RF isolating.JPG
питание по кабелю
miniWhip.jpg
схема антенны
Аватара пользователя
R4NBB
 
Сообщения: 229
Зарегистрирован: 01 мар 2017, 23:14
Откуда: Киров
Благодарил (а): 88 раз.
Поблагодарили: 93 раз.
Позывной: R4NBB-Михаил
Оборудование: YAESU FT-857D, FT-840 . DeltaLoop 40m ,UdaYagi 11эл.
Баллы репутации: 1

Re: Антенна КВ: miniWhip + usb rtl_sdr dongle

Сообщение ua4ne » 27 май 2017, 21:35

Активная антенна на полевике это хорошо. Только зачем на выходе ЭП второго каскада поставили резистор 50-омный последовательно? Чтобы так вот просто взять и выходной сигнал на 6 дБ задавить? В этом месте вообще-то ШП трансформатор нужен 1:9.

Оплетку кабеля от системы противовесов (обозначено как земля, оно же корпус антенны) по высокой частоте нужно развязать. Для этого на оплетку обычно ставят запорный "синфазный" ВЧ дроссель прямо в корпусе антенны и разъем от корпуса изолируют. Это если мы не хотим, чтобы противовесом стал фидер и антенна стала принимать на фидер всю окружающую дрянь.
73! Михаил, UA4NE
ua4ne
 
Сообщения: 757
Зарегистрирован: 12 янв 2013, 19:20
Благодарил (а): 119 раз.
Поблагодарили: 668 раз.
Позывной: ex UA4NCB EZ4NAA
Оборудование: Elecraft K3 100w, PA DN-600 (UT2FW), HexBeam RR-33 (20-15-10 Up 20m), Yagi AD-3446 (40-20-15-10 Up 50m), trap dipole (80-40), Spitfire (80), AD-W234 (WARC Up 10m)
Баллы репутации: 43

Re: Антенна КВ: miniWhip + usb rtl_sdr dongle

Сообщение dims » 27 май 2017, 22:48

Нужен апконвертер,ниже 24мгц этот свисток глуховат.надо играться ползунками усиления,но ито не даст хорошего результата.у меня с модом , на уровне шумов 40 метров принимает.а ещё ниже на "голый" свисток безполезняк.Но для начинающего вещь супер.
Аватара пользователя
dims
 
Сообщения: 42
Зарегистрирован: 28 окт 2015, 19:17
Откуда: Омутнинск
Благодарил (а): 23 раз.
Поблагодарили: 17 раз.
Позывной: R4NAV
Оборудование: FT-450D+CW40-100,maycom bs-27+boomerang 27a ,yaesu vx-3r,Wouxun KG-UVD1P
Баллы репутации: 1

Re: Антенна КВ: miniWhip + usb rtl_sdr dongle

Сообщение R4NBB » 27 май 2017, 23:07

Приму вышеуказанные полезные советы , буду дорабатывать , щас эфир слушаю на 40 метрах , слыхать многих SSB и CW и RTTY .
Аватара пользователя
R4NBB
 
Сообщения: 229
Зарегистрирован: 01 мар 2017, 23:14
Откуда: Киров
Благодарил (а): 88 раз.
Поблагодарили: 93 раз.
Позывной: R4NBB-Михаил
Оборудование: YAESU FT-857D, FT-840 . DeltaLoop 40m ,UdaYagi 11эл.
Баллы репутации: 1

Re: Антенна КВ: miniWhip + usb rtl_sdr dongle

Сообщение dims » 27 май 2017, 23:12

да проходы начинаются ,вместе с "летом".а что вы с такими серьёзными антеннами позывной не получаете?я за 200 км в киров приезжал сдал на 2ю категорию.
Аватара пользователя
dims
 
Сообщения: 42
Зарегистрирован: 28 окт 2015, 19:17
Откуда: Омутнинск
Благодарил (а): 23 раз.
Поблагодарили: 17 раз.
Позывной: R4NAV
Оборудование: FT-450D+CW40-100,maycom bs-27+boomerang 27a ,yaesu vx-3r,Wouxun KG-UVD1P
Баллы репутации: 1

Re: Антенна КВ: miniWhip + usb rtl_sdr dongle

Сообщение R4NBB » 27 май 2017, 23:15

27.05.17 23:05
Вложения
Безымянный.jpg
эфир
Аватара пользователя
R4NBB
 
Сообщения: 229
Зарегистрирован: 01 мар 2017, 23:14
Откуда: Киров
Благодарил (а): 88 раз.
Поблагодарили: 93 раз.
Позывной: R4NBB-Михаил
Оборудование: YAESU FT-857D, FT-840 . DeltaLoop 40m ,UdaYagi 11эл.
Баллы репутации: 1

Re: Антенна КВ: miniWhip + usb rtl_sdr dongle

Сообщение RM4N » 28 май 2017, 09:22

dims писал(а):Нужен апконвертер,ниже 24мгц этот свисток глуховат.надо играться ползунками усиления,но ито не даст хорошего результата.у меня с модом , на уровне шумов 40 метров принимает.а ещё ниже на "голый" свисток безполезняк.Но для начинающего вещь супер.

Зачем начинать с худшего?!
Полезнее изучить тему и сделать лучшее.
RM4N
 
Сообщения: 1234
Зарегистрирован: 20 дек 2012, 15:00
Благодарил (а): 316 раз.
Поблагодарили: 482 раз.
Позывной: RM4N
Баллы репутации: 22

Re: Антенна КВ: miniWhip + usb rtl_sdr dongle

Сообщение R4NBB » 28 май 2017, 19:21

RM4N писал(а):
dims писал(а):Нужен апконвертер,ниже 24мгц этот свисток глуховат.надо играться ползунками усиления,но ито не даст хорошего результата.у меня с модом , на уровне шумов 40 метров принимает.а ещё ниже на "голый" свисток безполезняк.Но для начинающего вещь супер.

Зачем начинать с худшего?!
Полезнее изучить тему и сделать лучшее.


Уважаемый ,какой посоветуете upconverter ? самодельный или покупной . ссылки есть на покупной? какой вы используете? заранее спасибо...
Аватара пользователя
R4NBB
 
Сообщения: 229
Зарегистрирован: 01 мар 2017, 23:14
Откуда: Киров
Благодарил (а): 88 раз.
Поблагодарили: 93 раз.
Позывной: R4NBB-Михаил
Оборудование: YAESU FT-857D, FT-840 . DeltaLoop 40m ,UdaYagi 11эл.
Баллы репутации: 1

Re: Антенна КВ: miniWhip + usb rtl_sdr dongle

Сообщение RM4N » 28 май 2017, 21:36

Dikiy-kaktus писал(а): Уважаемый ,какой посоветуете upconverter ? самодельный или покупной . ссылки есть на покупной? какой вы используете? заранее спасибо...

Да никакой. Зачем усложнять себе жизнь непонятными приблудами.
Если речь идет об SDR приеме на КВ, то просто взять более приличный свисток/гудок/сирену... как угодно назови, без всяких конвертеров.
А то начинается так - покупаем дешевую китайскую свистульку, пытаемся высвистеть из нее то, на что она не способна, и ищем всевозможные выходы. А выход то вовсе не в этом. Двери открыты. Вот например. Специально есть вход для КВ. Несмотря на то, что используются те же чипы 820 и 2832. Это тоже, я бы сказал, "для начала".
Что там про свисток? - для приема телевидения, на это он и заточен. Ну прямо на нем это написано. И пультик управления с маленькой антенночкой в комплект... до кучи... И полоса начиная от 24 Мс.

Вот ТУТ все для паяльника (с заземленным жалом). Всего то один провод припаять... Обходим тюнер.
RM4N
 
Сообщения: 1234
Зарегистрирован: 20 дек 2012, 15:00
Благодарил (а): 316 раз.
Поблагодарили: 482 раз.
Позывной: RM4N
Баллы репутации: 22

Re: Антенна КВ: miniWhip + usb rtl_sdr dongle

Сообщение R4NBB » 28 май 2017, 22:28

Вот ТУТ все для паяльника (с заземленным жалом). Всего то один провод припаять... Обходим тюнер.[/quote]

этот момент решается софтово на этой модели приемника. За совет о приобретении более доработанной модели спасибо, подумаю.
Аватара пользователя
R4NBB
 
Сообщения: 229
Зарегистрирован: 01 мар 2017, 23:14
Откуда: Киров
Благодарил (а): 88 раз.
Поблагодарили: 93 раз.
Позывной: R4NBB-Михаил
Оборудование: YAESU FT-857D, FT-840 . DeltaLoop 40m ,UdaYagi 11эл.
Баллы репутации: 1

Re: Антенна КВ: miniWhip + usb rtl_sdr dongle

Сообщение RM4N » 28 май 2017, 23:05

Для самодельщиков. :)
Заодно и характеристики по чувствительности.
RM4N
 
Сообщения: 1234
Зарегистрирован: 20 дек 2012, 15:00
Благодарил (а): 316 раз.
Поблагодарили: 482 раз.
Позывной: RM4N
Баллы репутации: 22

Re: Антенна КВ: miniWhip + usb rtl_sdr dongle

Сообщение RM4N » 29 май 2017, 11:37

По вопросу активной антенны на КВ, вот тут можно ознакомиться.
Все-таки дифференциальный каскад. И в качестве антенны - простой диполь. Усилитель укрепить прямо на входе диполя, питание по кабелю.
Или вот здесь дифкаскад. Удалить все, что до разделительных емкостей С2 и С3 слева и подключить каждый из входов к своему плечу диполя. Трансы вообще не такие можно поставить, а всего один - 1:4.

Или вот тут - вертикал из проводочка.
RM4N
 
Сообщения: 1234
Зарегистрирован: 20 дек 2012, 15:00
Благодарил (а): 316 раз.
Поблагодарили: 482 раз.
Позывной: RM4N
Баллы репутации: 22

Re: Антенна КВ: miniWhip + usb rtl_sdr dongle

Сообщение R4NBB » 30 май 2017, 08:55

RM4N писал(а):По вопросу активной антенны на КВ, вот тут можно ознакомиться.
Все-таки дифференциальный каскад. И в качестве антенны - простой диполь. Усилитель укрепить прямо на входе диполя, питание по кабелю.
Или вот здесь дифкаскад. Удалить все, что до разделительных емкостей С2 и С3 слева и подключить каждый из входов к своему плечу диполя. Трансы вообще не такие можно поставить, а всего один - 1:4.

Или вот тут - вертикал из проводочка.


Спасибо!!! Антенны хорошие , но проблемы возникают в отсутствии нахождения деталей транзисторов ,феритовых колец (формы бинокль) в магазинах. вот и собираю варианты тех антенн для которых отыскиваю детали . киров беден на радиодетали. Был в Екатеринбурге, в Ижевске - вот там то просыпается фантазия на изготовление самоделок с таким ассортиментом радиодеталей.
Аватара пользователя
R4NBB
 
Сообщения: 229
Зарегистрирован: 01 мар 2017, 23:14
Откуда: Киров
Благодарил (а): 88 раз.
Поблагодарили: 93 раз.
Позывной: R4NBB-Михаил
Оборудование: YAESU FT-857D, FT-840 . DeltaLoop 40m ,UdaYagi 11эл.
Баллы репутации: 1

Re: Антенна КВ: miniWhip + usb rtl_sdr dongle

Сообщение RM4N » 30 май 2017, 22:37

Dikiy-kaktus писал(а):Спасибо!!! Антенны хорошие , но проблемы возникают в отсутствии нахождения деталей транзисторов ,феритовых колец (формы бинокль) в магазинах. вот и собираю варианты тех антенн для которых отыскиваю детали . киров беден на радиодетали. Был в Екатеринбурге, в Ижевске - вот там то просыпается фантазия на изготовление самоделок с таким ассортиментом радиодеталей.

Есть желание? Коли есть, возможности приходят из Китая. Надо насобирать комплектацию и в один день сделать заказ, на мелочь иногда полезно в разные магазины на одно и то же.. Через месяц/полтора приходит неимоверное счастье.
RM4N
 
Сообщения: 1234
Зарегистрирован: 20 дек 2012, 15:00
Благодарил (а): 316 раз.
Поблагодарили: 482 раз.
Позывной: RM4N
Баллы репутации: 22

Re: Антенна КВ: miniWhip + usb rtl_sdr dongle

Сообщение R4NBB » 31 май 2017, 12:54

RM4N писал(а):
Dikiy-kaktus писал(а):Спасибо!!! Антенны хорошие , но проблемы возникают в отсутствии нахождения деталей транзисторов ,феритовых колец (формы бинокль) в магазинах. вот и собираю варианты тех антенн для которых отыскиваю детали . киров беден на радиодетали. Был в Екатеринбурге, в Ижевске - вот там то просыпается фантазия на изготовление самоделок с таким ассортиментом радиодеталей.

Есть желание? Коли есть, возможности приходят из Китая. Надо насобирать комплектацию и в один день сделать заказ, на мелочь иногда полезно в разные магазины на одно и то же.. Через месяц/полтора приходит неимоверное счастье.


да, это все хорошо, но бывает так что некоторые детали в китае стоят дороже чем у нас .а в принципе вариант хороший.
Аватара пользователя
R4NBB
 
Сообщения: 229
Зарегистрирован: 01 мар 2017, 23:14
Откуда: Киров
Благодарил (а): 88 раз.
Поблагодарили: 93 раз.
Позывной: R4NBB-Михаил
Оборудование: YAESU FT-857D, FT-840 . DeltaLoop 40m ,UdaYagi 11эл.
Баллы репутации: 1

Re: Антенна КВ: miniWhip + usb rtl_sdr dongle

Сообщение RM4N » 31 май 2017, 15:28

Dikiy-kaktus писал(а): да, это все хорошо, но бывает так что некоторые детали в китае стоят дороже чем у нас .а в принципе вариант хороший.

там деталей то - 3 штуки на 4 стороны.
Скажем, я бы выбрал на КП-307. Только поставить современные N-channel полевики с малым Кш. Остальные детали с мусорки. Транс-1/4 посложнее, мотать придется. Конечно лучше на бинокле. Заказать себе таких биноклей в кетае аж 50 штук. Эти около 1000 проницаемости. Транс можно и фирмовый, тогда из серии RFXF6553 или TC4-19X+ (LN+), токи у них до 150 мА, а по схеме 2х12 мА ну плюс на утечку. Но это надо знать, где заказать 1-2 штуки. Это ж SMD-компоненты.
RM4N
 
Сообщения: 1234
Зарегистрирован: 20 дек 2012, 15:00
Благодарил (а): 316 раз.
Поблагодарили: 482 раз.
Позывной: RM4N
Баллы репутации: 22

Re: Антенна КВ: miniWhip + usb rtl_sdr dongle

Сообщение RM4N » 01 июн 2017, 10:09

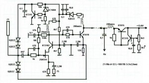
Еще одна возможная схема.
RM4N
 
Сообщения: 1234
Зарегистрирован: 20 дек 2012, 15:00
Благодарил (а): 316 раз.
Поблагодарили: 482 раз.
Позывной: RM4N
Баллы репутации: 22

Re: Антенна КВ: miniWhip + usb rtl_sdr dongle

Сообщение R4NBB » 02 июн 2017, 16:11

по рейтингу самая пока лучшая от Simon s9
Вложения
mw_s9a от Simon.jpg
Аватара пользователя
R4NBB
 
Сообщения: 229
Зарегистрирован: 01 мар 2017, 23:14
Откуда: Киров
Благодарил (а): 88 раз.
Поблагодарили: 93 раз.
Позывной: R4NBB-Михаил
Оборудование: YAESU FT-857D, FT-840 . DeltaLoop 40m ,UdaYagi 11эл.
Баллы репутации: 1

Re: Антенна КВ: miniWhip + usb rtl_sdr dongle

Сообщение RM4N » 02 июн 2017, 20:06

Dikiy-kaktus писал(а):по рейтингу самая пока лучшая от Simon s9

Где такой "рейтинг"?

Лучшая в смысле все будет принимать и усиливать, вместе с помехами. :)
В дифференциалке синфазные помехи фтопку.
RM4N
 
Сообщения: 1234
Зарегистрирован: 20 дек 2012, 15:00
Благодарил (а): 316 раз.
Поблагодарили: 482 раз.
Позывной: RM4N
Баллы репутации: 22


Вернуться в КВ антенны

Сейчас на конференции

Сейчас этот форум просматривают: нет зарегистрированных пользователей и гости: 2

cron
Яндекс.Метрика