
UA4NDX писал(а):Вот вариант UA3VFS ......

Toni писал(а):UA4NDX писал(а):Вот вариант UA3VFS ......
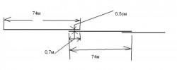
Ещё бы модель мманы посмотреть, если они её считали в ней.


RM4N писал(а):ММАНА не считает линии питания и согласования, между проводами которых менее, кажется, 5 см, коими здесь являются эти стабы из проволоки. Надо считать в МанаГала, а она за приличные деньги.
UA4NDX писал(а):UA3VFS-убеждённо сказал,что считали в MMANA
RM4N писал(а):ММАНА не считает линии питания и согласования, между проводами которых менее, кажется, 5 см,








UA4NDX писал(а):.......возьмём и усилитель 400W)
придётся очень далеко разбегаться 

RD9CX писал(а):UA4NDX писал(а):.......возьмём и усилитель 400W)
![]()
придётся очень далеко разбегаться




(растяжки из лёски 10 Кг разрывное усилие-в наличии, на любую высоту) RK4NAB везёт с собой трансивер и антенну на 160м У меня машина с двумя аккумуляторами, нетбук с интернетом,и прочая"кухня"... Отбываем в обед 26-го, в пятницу. Присоединяйтесь,энтузиасты !
UA4NDX писал(а):Да,посмотрел....Конечно лучше,чем пассивные директоры-рефлекторы....Но высокоомное питание второго элемента,да ещё с регулированием сдвига фазы - даже "дома" -мало у кого получается....Тем более, наверное самая большая проблема будет - просто "геометрию" удержать....Даже при одной "верёвке"

UA4NDX писал(а):Присоединяйтесь,энтузиасты !

Сейчас этот форум просматривают: нет зарегистрированных пользователей и гости: 2
|
|