Китайцы прислали всё, что надо.
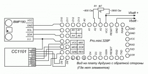
Собрал маяк по схеме Atmega8+CC1101+CW. Заработал сразу

Огромное спасибо, Антон, за схему и код!
Просто и повторяемо на 100%.
Нюансы:
1) Поставил частоту 432450, маяк же работает где-то на 432471.
!Почему?
2) В процессе передачи частота плывёт вниз Герц на 10.
Заменить кварц прямо на плате CC1101 или его можно вынести на основную плату схемы поблизости?
Питание пока слабенькое - 2.6В от плоской литиевой батарейки. Попробую запитаться от 18650.
Декодер телеграфа fldigi справляется отлично, если частоту подстраивать слегка.
Декодер CWSkimmer - тот половину текста не декодирует, сдвиг частоты его вводит в заблуждение.
3)При падении температуры на 20 градусов частота растёт на ~2кГц вверх. Нормально, главное не на 50

Главное - при передаче бы её стабилизировать, чтобы автоматические декодеры могли принимать.
В общем, впечатления пока исключительно положительные.
Думаю остановиться именно на CW-маяке, довести его до ума. Потом за RX взяться.
Есть ещё чип CC1120, тот и на 144 может работать, но готовых модулей нет
