ra4ndu писал(а):Самое простое, чтобы посмотреть что там есть- это ICD (программа позволяет провести диагностику, сбросить коды, выставить СО, записать логи). То есть можно определить какой датчик "блошит", но вмешаться в калибровки не даст.Поковыряться в настройках неплохо Atomic Tune (работает по топливу) http://www.ecusystems.ru/content/atomic-soft или CTP 3.21
Эмм, судя по описанию эти проги только для наших тазиков подходят? Похоже что вариант не для моего Авео, у меня тип ЭБУ Sirius-D42.
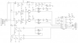
Сегодня подключил свой собранный к-лайн адаптер - работает. Стоимость деталей не превышает 100 рублей, печатку рисовал сам, выложу позже. Схема:
Взята отсюда
Программу использовал ChevroletExplorer v1.4. Ниже немного скриншотов.
Программа позволяет в реальном времени смотреть множество параметров и строить графики их изменения во времени в зависимости от режимов работы двигателя, читать и сбрасывать ошибки ЭБУ, читать идентификационные данные.


