UA4NDX писал(а):Вот тоже интересно- посетители нашего форума 29 марта (Москва-в лидерах ......ну ну)
Это большой брат... следит...
UA4NDX писал(а):Вот тоже интересно- посетители нашего форума 29 марта (Москва-в лидерах ......ну ну)

UA4NDX писал(а):(Москва-в лидерах ......ну ну)


))))

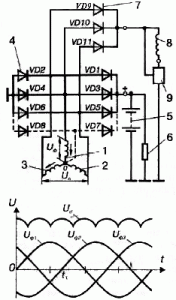
UA4NDX писал(а):Выходные каскады ТРЕТЬЕЙ категории : http://www.cqham.ru/rz3ah.htm


Yura писал(а): 6кВ при 5А, а конденсатор всего на 4мкф

UA4NDX писал(а):ничтожно малы даже без конденсатора...



rw4nw писал(а):Главное в этом деле "руки не опускать" и двигаться к намеченной цели!!!

RM4N писал(а):rw4nw писал(а):Главное в этом деле "руки не опускать" и двигаться к намеченной цели!!!
И какова она?
Самое главное - заниматься своим здоровьем, а радио - это игра, не спорт.
и все у вас получиться, может быть конечно не все сразу!!!

Рустам писал(а):Какие это противопоказания у радиоспорта? Ну окромя геморроя.


Yura писал(а):Тут хорошая информация в таблице: http://ra4a.narod.ru/Spravka4/d1.htm

R4NX писал(а):Ну во-первых ГС-9Б НЕ аналог ГИ-7Б.А уж темболее ГИ-7БТ - эта лампа с водяным охлаждением.
ГС-9Б - это немного другая лампа ...
Входная емкость у ГС-9Б больше,чем у ГИ-7Б.
Мощность у ГС поменьще чем у ГИ-7Б 300 пртив 350
Да и срок службы у ГС-9Б в два с небольшим раза меньше чем у ГИ-7Б.
И втащив ГИ-7Б из своего УМ и воткнуть ГС-9Б ...и сразу работать....
500р за ДВЕ ГС-9Б это нормально.А вот за ОДНУ....дороговато....
Более 400 ватт на 20м на паре ГС-9Б при анодном 1500в с UW3DI-1 у меня не получилось....(середина 80-х)
Может сейчас технологии другие?
С 4-х ГУ-50 при 1100в на аноде и 30ватт с IC-746 у меня поболе выходит на 20м.Этот УМ есть.Лампы вот только надо заменить....
Так что....2-ГС-9Б при 1500в или на 4-х ГУ-50 при 1100 на аноде.... разница есть!


Yura писал(а):После "водяного охлаждения" дальше можно не читать.


Сейчас этот форум просматривают: нет зарегистрированных пользователей и гости: 2
|
|